| |
| Marcel
Siegenthaler: |
|
Die Elektronik des neuen REVOX A77 |
|
1. Konzeption
Erste Bedingung für einen einwandfreien Betrieb eines Tonbandgerätes
ist die bestmögliche Stabilität der mechanischen Konstruktion.
Beim REVOX A77 trägt ein massives verwindungsfreies Druckguß-Chassis
den mechanischen und elektrischen Aufbau. Die Bandführungen,
Tonköpfe und Motoren sind dadurch unverrückbar starr
und gewährleisten konstante Betriebsverhältnisse von
horizontaler bis vertikaler Lage. Der Aufbau ist so konzipiert,
daß Bandspulen bis 26,5 cm (10,5") verwendet werden
können. Das 3-Motoren-Laufwerk enthält einen neuartigen
Tonmotor mit elektronischer Drehzahl-Regelung. Mit 5 Drucktasten
sind die Laufwerkfunktionen steuerbar. Die Relais-Steuerung
ist elektrisch verriegelt und benötigt nur kurze Impulse,
die auch über einen Fernsteueranschluß eingetastet
werden können. Sämtliche Verstärker, inkl. zusätzlich
steckbare Endverstärker, sind vollständig mit Silizium-Planar-Transistoren
bestückt. Die Elektronik wird aus einem stabilisierten
Netzteil gespeist. Der Aufbau ist durch steckbare Verstärker
und Verbindungen auf rationelle Fertigung und gute Servicefreundlichkeit
abgestimmt. |
|
 |
Fig.1. REVOX
A 77 in Holzgehäuse |
 |
Fig.2. REVOX
A 77 Chassis |
2. Steckbare Verstärker-Elektronik
Die Elektronik eines hochwertigen Gerätes soll überdurchschnittliche
Daten aufweisen, mit hoher Zuverlässigkeit auch im Dauerbetrieb
arbeiten und zudem möglichst einfach zu warten sein. Dies
sind Forderungen, die nicht ohne weiteres auf einen Nenner gebracht
werden können. Eine hohe Qualität des Endproduktes
erfordert eine laufende Produktionskontrolle der einzelnen Baustufen.
Der Reparaturservice tendiert im Sinne einer rationellen Erledigung
der Aufträge auf ein «Arbeiten ohne Lötkolben».
Einfaches Eingrenzen eines Fehlers und anschließendes
Auswechseln der defekten Stufe verkürzt die Standzeiten
wesentlich. Unter Berücksichtigung dieser Aspekte stellt
die gewählte Bauart mit steckbaren Verstärkerstufen
und steckbaren Kabelverbindungen eine ideale Lösung dar.
Hinter den Bedienungselementen der Frontplatte trägt eine
gedruckte Schaltung (Epoxyharz) die Umschalter für Aufnahme
und Wiedergabe sowie sämtliche Verbindungen für die
auswechselbaren Steckkarten. Für die Steckverbindungen
finden besonders hochwertige Kontaktleisten Verwendung. Die
Steckkarten haben eine einheitliche Größe (ca. 6x9
cm) und beinhalten folgende Stufen: Eingangs(vor)verstärker,
2 Aufnahmeverstärker, 2 Wiedergabeverstärker, Oszillator
und Aufnahmerelais. Drei weitere Printkarten tragen die Laufwerksteuerung,
die Drehzahlregelung für den Tonmotor und die elektronische
Stabilisierung der Speisespannung für Verstärker und
Oszillator. Weiter sind auch die beiden Endstufen steckbar.
|
|
 |
Fig.3. Steckbare
Verstärker |
 |
Fig.4. NF-Block
Schema
(anklicken öffnet eine größere Darstellung) |
2.1. Eingangsverstärker (Schema 1.077.700) |
|
 |
Schema: 1.077.700
(anklicken öffnet eine größere Darstellung)
|
Die Steckkarte «Eingangsverstärker»
enthält die Vorverstärkerstufen für beide Kanäle.
Die Eingangsempfindlichkeit wird durch eine stufenweise einstellbare
Gegenkopplung (Gleichstromgegenkopplung fest) an die Pegel der
Signalquellen Auxiliary (40 mV), Spurüberspielung (25 mV),
Radio (2 mV), Microphon high (2 mV) und Microphon low (0,15
mV) angepaßt. Zu diesem Zweck wird der Widerstand R 406
/ 426 (100 K) überbrückt oder durch Parallelwiderstände
verkleinert. Wird R 406 / 426 kurzgeschlossen, beträgt
der Verstärkerfaktor der gesamten Stufe ca. V = 460, bei
1 K parallel ca. V = 20 und ohne Parallelwiderstand ca. V =
1,2. Die Auslegung der Ausgangsstufe hat den Vorteil, daß
die Speisespannung fast voll durchgesteuert werden kann. Die
Ausgangsspannung beträgt nominell 50 mV~, kann aber bis
6 V~ unverzerrt liefern. Dies entspricht einer Übersteuerfestigkeit
von mehr als 40 db. Neben der hohen Übersteuerfestigkeit
hat die Empfindlichkeitsanpassung der Eingangsstufe durch die
Gegenkopplung noch den Vorteil, daß das Eingangsrauschen
durch vorgeschaltete Spannungsteiler nicht verschlechtert wird.
2.2. Aufnahmeverstärker (Schema 1.077.705) |
|
 |
Schema: 1.077.705
(anklicken öffnet eine größere Darstellung)
|
Für die Aufnahmeverstärker ist pro Kanal
eine Steckkarte vorhanden. Diese enthalten je einen Entzerr-Vorverstärker
(Q 501 und Q 502), einen VU-Meterverstärker (Q 503) sowie
einen Aufsprechverstärker (Q 504 und Q 505). Die Aufnahme
wird für NAB-Norm entzerrt. Die Tiefenentzerrung (3180
µs) erfolgt im Gegenkopplungszweig durch die Reihenschaltung
von C 504 und den Trimmpot P 501 und P 502. Die Höhenentzerrung
kann für beide Geschwindigkeiten separat eingestellt werden.
P 502 für 19 cm/s, P 501 für 9,5 cm/s. Zwischen Entzerrvorverstärker
und Aufsprechverstärker befindet sich ein Trimmpot zum
Pegelabgleich. Da auch die Wiedergabeverstärker über
einen Pegelabgleich verfügen, läßt sich exakte
Pegelgleichheit der Kanäle Vor-Band/Hinter-Band einstellen.
Der Aufsprechverstärker ist für hohe Übersteuerungssicherheit
ausgelegt. Dabei liefert Q 505 den für die Aussteuerung
benötigten Kollektorgleichstrom an Q 504. Für die
Tonfrequenzspannung stellt Q 505 jedoch eine hohe Impedanz dar,
so daß der ganze Ausgangswechselstrom für die Aussteuerung
des Aufnahmekopfes zur Verfügung steht. Die Aussteuerreserve
ist größer als 15 db. Ein Parallelschwingkreis mit
f res 38 kHz im Emitterkreis der Aufsprechstufe (L 502 / C 514)
bewirkt eine Stromgegenkopplung für Pilotträgerreste,
die zu Interferenzen mit der Löschfrequenz führen
könnten. Zwischen Auskoppelpunkt und Aufnahmekopf liegt
weiter ein Sperrkreis für die Vormagnetisierungsfrequenz
von 120 kHz. Der Auskoppelpunkt wird bei Wiedergabe durch das
Aufnahmerelais kurzgeschlossen. Der Verstärkungsgrad der
VU-Meter-Stufe (Q 503) kann an P 503 geeicht werden. Um die
VU-Meter-Aussteuerungsinstrumente vor HF-Einstreuungen zu schützen
(die Fehlanzeigen zur Folge hätten), ist die gleichstromgekoppelte
Stufe mit C 508 für HF gegengekoppelt.
2.3. Oszillator (Schema 1.077.710) |
|
 |
Schema: 1.077.710
(anklicken öffnet eine größere Darstellung)
|
Der Oszillator mit den Vormagnetisierungs-Einstellreglern
bildet als Steckkarte eine separate Einheit. Die gewählte
Gegentakt-Kollektorschaltung garantiert ein Minimum an ungradzahligen
Oberwellen und damit einen geringen Klirrfaktor. Somit ist die
Symmetrie der Sinusschwingungen gewährleistet und eine
Gleichfeldmagnetisierung des Lösch- und Aufnahmekopfes
durch Gleichstromanteile kann mit Sicherheit vermieden werden.
Die Oszillatorfrequenz beträgt 120 kHz und liegt wesentlich
über üblichen Werten. Die Gefahr von Interferenztonbildungen
bei der Aufzeichnung von Stereo-Sendungen oder HF-TR-Programmen
ist dadurch behoben. Die Löschfrequenz wird symmetrisch
ausgekoppelt. Bei Monobetrieb, wenn nur eine Löschkopfhälfte
in Betrieb ist, wird anstelle der Kopfinduktivität eine
abgleichbare Ersatzlast (Dummy Load) aufgeschaltet. (Die Ersatzlast
befindet sich auf der Steckkarte «Aufnahmerelais»
1.077.715, s. Abschnitt 2.4.) So bleibt die Belastung des Oszillators
konstant, was sich auf die Spannungs- und Frequenzstabilität
positiv auswirkt. Die Auskopplung des Vormagnetisierungsstromes
erfolgt asymmetrisch. Der Vormagnetisierungsstrom (HF-Bias)
kann für jeden Kanal und jede Geschwindigkeit separat eingestellt
werden (P 707 bis P 710). Gespeist wird der Oszillator mit der
stabilisierten Spannung, die von einem speziellen elektronischen
Schalter eingeschaltet wird.
2.4. Aufnahmerelais (Schema 1.077.715) |
|
 |
Schema 1.077.715
(anklicken öffnet eine größere Darstellung)
|
Die Steckkarte «Aufnahmerelais» enthält
ein Relais, das von der Laufwerksteuerung bei gleichzeitigem
Drücken der Tasten Play und Rec (Aufnahme) erregt wird.
Weiter enthält sie den bereits erwähnten elektronischen
Schalter und die Kopfersatzspule. Um einen klickfreien Übergang
von Wiedergabe auf Aufnahme zu ermöglichen, darf der Oszillator
nicht impulsförmig eingeschaltet werden. In Reihe zu den
Arbeitskontakten 2/3, 5/6 des Aufnahmerelais liegt deshalb der
elektronische Schalter mit Q 601, der durch ein R/C-Glied «weich»
eingeschaltet wird. Beim Stop oder während der Play-Funktion
(Wiedergabe) ist C 602 entladen (über R 602), und die Basis
von Q 601 liegt auf Null-Potential. Q 601 ist gesperrt. Beim
Übergang auf Aufnahme schließen die Kontakte 2/3,
5/6 und es fließt ein Ladestrom über C 602 und R
603. Die Basisspannung steigt mit dem Ladezustand von C602 in
einem integralen Verlauf an und öffnet den als Widerstand
wirksamen Q 601 kontinuierlich bis in die Sättigung. Die
Ersatzspule ist abstimmbar, um Induktivitätsstreuungen
des Löschkopfes auszugleichen, was einen minimalen Pegelsprung
des Oszillators zwischen Mono- und Stereobetrieb gewährleistet.
2.5. Wiedergabeverstärker (Schema 1.077.720) |
|
 |
Schema: 1.077.720
(anklicken öffnet eine größere Darstellung)
|
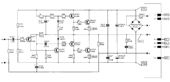
Für die Wiedergabeverstärker ist pro
Kanal eine Steckkarte vorhanden. Diese enthalten je einen Wiedergabe-(vor)Verstärker
und einen Leitungsverstärker. Dazwischen geschaltet sind,
wie auf dem Blockschema (Fig.4) ersichtlich, der Vor-/Hinterbandschalter,
der Lautstärkeregler und der Wiedergabefunktionsschalter.
Der Wiedergabekopf ist galvanisch an die Eingangsstufe Q 801
angekoppelt. Vom Emitterspannungsteiler der direkt gekoppelten
zweiten Stufe führt eine Gleichstrom-Gegenkopplung über
den Wiedergabekopf auf die Basis von Q 801 und hält den
Arbeitspunkt stabil. Der Gegenkopplungsstrom (Basisstrom Q 801)
beträgt weniger als 1uA, sodaß keine Magnetisierung
des Wiedergabekopfes erfolgen kann.
Die Tonfrequenzanteile werden durch C 803 kurzgeschlossen. Bei
sehr tiefen Frequenzen (<20 Hz) tritt jedoch eine Gegenkopplung
ein, weil der kapazitive Widerstand bereits wirksam wird. Die
Wiedergabeentzerrung ist umschaltbar NAB-IEC (CCIR). Das Entzerr-Netzwerk
liegt im Gegenkopplungszweig Kollektor Q 802 / Emitter Q 801.
Das R/C-Glied: R 808 / C 804 besorgt die Tiefenentzerrung (3180
µs). Die Umschaltung der Wiedergabe-Zeitkonstanten wird
durch Kurzschließen der Teilwiderstände des Netzwerkes
erreicht. Es werden kurzgeschlossen für 19 cm/s: NAB (50
µs) 3+4+5, IEC (70 µs 3+4; für 9,5 cm/s NAB/IEC
(90 µs) 4+5. Im Ausgang der Vorstufe befindet sich ein
120-kHz-Sperrkreis für die Vormagnetisierungsfrequenz.
Dieser Kreis sperrt die der NF überlagerten HF-Spannung,
die vor allem bei der Einmessung zu Fehlresultaten führen
könnte. Mit dem Trimmpot P 801 wird der Wiedergabepegel
auf die Sammelschienenspannung von 25 mV eingestellt. Diese
Einstellmöglichkeit hat neben der Pegelgleichheit bei Vor-Hinterbandumschaltung
zusätzlich den Vorteil, daß für Vollaussteuerung
auf dem Band bei definierter Einstellung des Wiedergabelautstärkereglers
auch ein definierter Pegel an den Output-Ausgängen zur
Verfügung steht. Die im Blockschaltbild getrennt eingezeichneten
Wiedergabe- und Leitungsverstärker befinden sich auf derselben
Steckkarte. Die Ausgangsspannung des Vorverstärkers führt
auf den Vor-Hinterbandschalter und auf die Überspielstellungen
der Eingangswähler (für Echo- und Playbacktechnik).
Mit dem Kanalwahl-Schalter können die Wiedergabefunktionen
gewählt werden. Bei CH I werden beide Leitungsverstärker
vom Signal am Lautstärkeregler Kanal I ausgesteuert. Bei
CH II vom Signal am Regler Kanal II. Bei Mono werden die Signalspannungen
beider Regler parallel geschaltet. Eine Schaltstellung, die
insbesondere für die Mono-Wiedergabe von stereophonen Aufnahmen
vorgesehen ist.Die Leitungsverstärker sind dreistufig gleichstromgekoppelt
und verstärken das Signal auf den Pegel für die Ausgänge
Output und Kopfhörer. Ebenso werden die Endverstärker
(steckbar) durch diese Stufe ausgesteuert. Eine Gleichstrom-Gegenkopplung
vom Emitterspannungsteiler Q 804 auf die Basis Q 803 stabilisiert
den Arbeitspunkt aller drei Stufen. Eine weitere Gegenkopplung
vom Emitter Q 805 auf den Emitter Q 803 ist regelbar und mit
dem andern Kanal mechanisch gekoppelt und ermöglicht so,
die Balance einzustellen (Regelbereich 12 db). |
|
 |
Fig.5a. Frequenzgang
19 cm/s
(anklicken öffnet eine größere Darstellung)
|
 |
Fig.5b. Frequenzgang
9,5 cm/s
(anklicken öffnet eine größere Darstellung)
|
 |
Fig.6. Einstellregler
REVOX A 77 für Einmessung und Service
(anklicken öffnet eine größere Darstellung)
|
2.6. Endverstärker (Schema 1.077.850) |
|
 |
Schema: 1.077.850
(anklicken öffnet eine größere Darstellung)
|
Die Endverstärker beanspruchen je Kanal eine
Steckkarte und können auch nachträglich eingebaut
werden. Die Endverstärker-Steckkarten enthalten separate
Gleichrichter und Siebglieder. Auf dem Netztrafo befinden sich
lediglich zwei Wicklungen für 32 V~. Dadurch sind die Endverstärker
gut entkoppelt, und durch den eigenen Gleichrichter läßt
sich ein gleichstromfreier Lautsprecher-Ausgang ohne Elkos realisieren.
Durch die beiden Lade-Elkos C 907 und C 908 wird die Speisespannung
halbiert. Der ganze Verstärker ist gleichstromgekoppelt
und arbeitet in bekannter Schaltung mit «single-ended
push-pull »-Ausgangsstufe. Der Lautsprecher liegt praktisch
gleichstromfrei in der Diagonale einer Brücke, gebildet
aus Q 905 und Q 906 sowie den Ladeelkos C 907 und C 908. Q 901
und Q 902 arbeiten als Spannungsverstärker.
Die Serieschaltung D 901, R 911, D 902 dient zur Konstanthaltung
des Leerlaufstromes der Endstufen-Transistoren in Abhängigkeit
der Temperatur. Durch eine starke Gleichstromgegenkopplung (100%),
Kollektor Q 906 auf Emitter Q901, wird der Nullpunkt des Lautsprecher-Ausgangs
konstant gehalten. Die Tonfrequenzverstärkung wird durch
das Spannungsteilerverhältnis R 905 zu R 906 bestimmt.
|
|
 |
Fig.7. Endverstärker,
8W, zusätzlich steckbar |
3. Netzteil (1.077.540, Schema Laufwerk 1.077.100) |
|
 |
Schema 1.077.100
(anklicken öffnet eine größere Darstellung)
|
Das Netzteil enthält einen streuarmen Schnittbandkern-Transformator
und ist primärseitig für alle gebräuchlichen
Netzspannungen umschaltbar. Die Netzzuteilung führt über
Gehäuse-Trennkontakte und wird 2polig mit Micro-Switches
geschaltet. Sekundärseitig liefert der Transformator die
Spannungen für: Wickelmotoren, Tonmotor, Relaissteuerung,
Oszillator und Verstärker (elektronisch stabilisiert) und
getrennt für die Endverstärker. Der Pegel (21 V) der
elektronisch stabilisierten Spannung wird an P 106 eingestellt.
Der als Längswiderstand geschaltete Leistungstransistor
Q 102 wird durch Q 101 (in Basisschaltung) angesteuert. Die
Basis von Q 101 wird durch die Zenerdiode D 104 auf 12 V festgehalten.
Die Stabilisierung, die Silizium-Gleichrichter und die Steckerleisten
für die Endverstärker sind in einer gedruckten Schaltung
zusammengefaßt. (1.077.540)
4. Laufwerksteuerung (1.077.370, Schema Laufwerk 1.077.100)
|
|
 |
Schema 1.077.100
(anklicken öffnet eine größere Darstellung)
|
Die gedruckte Schaltung der Laufwerksteuerung
enthält 3 Relais für die Steuerung der Wickelmotoren,
der Brems- und Andruckmagnete sowie den fotoelektrischen Band-Endschalter.
Die 5 Drucktasten auf der Frontplatte betätigen gedruckte
Kontakte, die sich durch eine hohe Verschleißfestigkeit
auszeichnen. Parallel zu diesen Kontakten können Fernsteuerkontakte
liegen (FG 1 - FG 10). Die Steuerung benötigt nur kurze
Impulse, da die Funktionen selbsthaltend und elektrisch verriegelt
sind. Um mit möglichst wenig Relaiskontakten auszukommen,
ist deren Ansteuerung über Dioden gekoppelt. In den Relaisstromkreisen
liegen die Widerstände R 111, R 122, R 113, so daß
die effektive Spannung an den Relais ca. 12 V beträgt.
Dadurch können beispielsweise durch die Taste «schneller
Rücklauf» die Relais A und C kurzgeschlossen werden,
d. h. diese fallen ab, gleichzeitig wird das Relais B erregt.
Die Selbsthaltekontakte a 8/12, b 6/10, c 6/10 schließen
den Stromkreis über den Stop-Kontakt und die Kollektor-Emitter-Strecke
von Transistor Q 112 des fotoelektrischen Bandendschalters.
Wenn die Stop-Taste gedrückt wird oder der Transistor Q
112 gesperrt ist (wenn Licht auf den Fotowiderstand fällt),
ist die Selbsthaltung aufgehoben und angezogene Relais fallen
ab.
Die folgende Tabelle zeigt die Relais- und Magnetfunktionen,
abhängig von eingetasteten Steuerbefehlen.
| Funktion |
A |
B |
C |
Aufnahme-
Relais |
Andruck-
Magnet |
Brems-
Magnet |
| Stop |
|
|
|
|
|
|
| Play |
X |
|
|
|
X |
X |
| → |
|
|
X |
|
|
X |
| ← |
|
X |
|
|
|
X |
| Rec |
X |
X |
|
X |
X |
X |
|
Die Relaiskontakte a 6/10, a 1/5/9, b 4/8/12, c 1/5/9 schalten
die entsprechenden Spannungen an die Wickelmotoren für
die Lauffunktionen: «schneller Vor-und Rücklauf»
mit elektrischer Bremsung der Abwickelspule über den Widerstand
R 125; «Play» mit Gegendrehmoment-Bremsung des linken
Rückwickelmotors und Aufwickel-Drehmoment des rechten Vorwickelmotors.
Für den Betrieb mit kleinen Bandkerndurchmessern wird das
Drehmoment herabgesetzt (42 V~ anstelle 55 V~) Der Bandzugschalter
ist mit dem Netz- und Bandgeschwindigkeitsschalter gekoppelt.
Zur Erreichung kleinster Schlupf-Werte muß der Aufwickelmotor
gegenüber dem Abwickelmotor ein größeres Drehmoment
aufweisen. Der Abwickelmotor wird deshalb mit einer um 6 V~
kleineren Betriebsspannung gespeist. Die Wickelmotoren sind
abschaltbar («Reel motors off»). Damit beim Start
für Aufnahme und Wiedergabe zwischen Ton-Welle und Aufwickelspule
keine Bandschlaufen entstehen können, wird der Vorwickelmotor
über Kontakt c 5/9 für kurze Zeit (0,3 s) an 105 V
gelegt. Beim Start schließt Kontakt a 7/11 und über
das Relais C, Diode D 120, Kondensator C 111 sowie D 122 fließt
ein Ladestrom. Mit zunehmender Ladung von C 111 sinkt der Ladestrom
und Relais C fällt wieder ab. Der geladene Kondensator
C 111 entlädt sich über die Diode D 121 und R 114
sobald der Kontakt a 7/11 wieder öffnet (Stop). Der fotoelektrische
Band-Endschalter liegt wie bereits erwähnt in Serie zur
Stop-Taste und unterbricht beim Ansprechen die Selbsthaltung
der Relais. Die als Schmidt-Trigger bekannte Kippschaltung wird
durch den Fotowiderstand R 151 gesteuert. Fällt kein Licht
auf R 151, ist dieser hochohmig, die Basis von Q 111 über
R 118 auf Nullpotential und Q 111 somit gesperrt. Fällt
Licht auf den Fotowiderstand, so wird dieser niederohmig, die
Basisspannung positiv und Q 111 zieht Strom. Die Kollektorspannung
von Q 111 sinkt und sperrt Q 112. Ein Vorgang, der durch die
sinkende Emitterspannung an R 119 beschleunigt wird (Rückkopplung),
so daß sich trotz der gleitenden Widerstandsänderung
von R 151 (Ansprechträgheit) ein impulsförmiger Schaltvorgang
gibt.
5. Elektronische Drehzahlregelung (Schema 1.077.725)
|
|
 |
Schema: 1.077.725
(anklicken öffnet eine größere Darstellung)
|
Der elektronisch geregelte Bandantrieb des REVOX
A 77 beschreitet einen Weg, der bisher in der Tonbandtechnik
noch unbekannt war. Die Drehzahl des Tonmotors wird elektronisch
gemessen und laufend nachgeregelt. Als Antriebselement findet
ein robuster und anspruchsloser Asynchronmotor Verwendung, dessen
homogener Außenläufer ein Minimum an Drehmomentpulsationen
erzeugt, was sich in sehr geringen Tonhöheschwankungen
widerspiegelt. Zur Messung der Drehzahl befindet sich auf dem
Umfang des Rotors eine mit großer Präzision eingefräste
Verzahnung (120 Zähne), welche induktiv durch einen speziellen
Tonkopf abgetastet wird. Die Drehzahl wird so in eine proportionale
Frequenz umgewandelt, die ihrerseits in einer elektrischen Schaltung
auf den Momentanwert untersucht wird. Allfällige Abweichungen
von der Sollfrequenz, 1600 Hz bei 19 cm/s und 800 Hz bei 9,5
cm/s, werden nach Größe und Vorzeichen erfaßt
und verändern die dem Motor zugeführte Spannung. Die
Schaltung besteht aus dem Tachometer-Signal-Verstärker
(Q 201 bis 205), dem Diskriminator und dem Gleichstromverstärker
mit Leistungsendstufe (Q 206 bis 209). Der Tachometer-Signal-Verstärker
verstärkt, symmetriert und begrenzt die Abtastfrequenz,
so daß dem Diskriminator Rechteckimpulse angeboten werden.
Eine Gleichstromgegenkopplung stabilisiert die Arbeitspunkte
der Verstärkerstufen. Der Diskriminator besteht aus einem
LC-Serie-Resonanzkreis, der in seiner Art und den verwendeten
Bauteilen eine hohe Konstanz aufweist. Ein vorzügliches
Driftverhalten des Regelverstärkers ist unbedingte Voraussetzung,
da eine maximale Geschwindigkeitsabweichung von 0, 2 % garantiert
wird!
Die Resonanzfrequenz des Diskriminators ist durch Zuschalten
der Kapazität C 207 von 1600 Hz auf 800 Hz umschaltbar.
Dazu wird die Diode D 201 in Durchlaßrichtung gepolt,
was steuerseitig nur einen Schwachstromkontakt erfordert und
zudem die Steuerleitung ideal entkoppelt. Das in Serie liegende
Trimmpot P 201 ermöglicht, die Resonanzfrequenz leicht
zu verstimmen, wodurch die kleine Geschwindigkeit separat geeicht
werden kann. Primär wird die große Geschwindigkeit
durch Abstimmen der Kreisinduktivität geeicht. Für
den gesamten Diskriminator ergibt sich der in Fig.9 gezeigte
Spannungsverlauf in Funktion der Frequenz. Der Arbeitsbereich
des nachfolgenden Gleichstromverstärkers ist zur Verdeutlichung
eingetragen. Der Diskriminator ist zusammen mit der ganzen Elektronik
temperaturstabilisiert. Fig.10 zeigt typische Temperaturgänge
des gesamten Systems, gemessen mit laufendem Motor im Klimaschrank.
Das vom Diskriminator gelieferte Signal wird durch Integration
(C 210 und C 211) von Wechselanteilen der Tachometerfrequenz
befreit. Das Glied, gebildet aus R 215 und C 209, dient zur
Phasenkorrektur im Regelkreis und verbessert die Stabilität.
Der Gleichstromverstärker (Q 206, Q 207), dessen Arbeitsbereich
in der Diskriminatorkennlinie angegeben ist, weist eine Verstärkung
von 40 db auf und bringt das Signal auf den für den Leistungsverstärker
Q 209 notwendigen Wert. Die Phasenumkehrstufe Q 208 weist nur
eine geringe Verstärkung auf. Die Leistungsstufe (Q 209)
ist mit einem Transistor bestückt, der den im gesperrten
Zustand auftretenden Spitzenspannungen von 200 V standhält
und auch die im Betriebszustand erzeugte Verlustleistung auf
das Kühlblech abführen kann.
Die Leistungsaufnahme des Motors bei 50 Hz Speisung beträgt
etwa 13 W während der Beschleunigungsphase und 8 bis 10
W in Betrieb mit Bandtransport, wobei der Transistor etwa die
Hälfte übernehmen muß. Das eigentliche Regulierglied
besteht aus dem Brückengleichrichter D 205, dessen Diagonale
durch den Leistungstransistor mehr oder weniger belastet wird.
Der Transistor wirkt so als stromsteuerndes Element. Einige
interessante Daten des Systems:
1. Die Steilheit des Diskriminators zusammen mit dem Verstärkungsfaktor
des nachgeschalteten Verstärkers bewirken ein Durchfahren
der Motorspannung von 0 V~ bis zum Maximalwert von 120 V~ innerhalb
3 Hz Frequenzabweichung bei 1600 Hz Tachometersignalfrequenz.
Das bedeutet, daß bei einer prozentualen Abweichung von
±0,1 % der Motor keine oder die volle Spannung erhält.
2. Netzspannungsschwankungen von ±20 % bewirken eine
Verwerfung der Tourenzahl in der Größenordnung von
±0,04 %.
3. Änderungen der Betriebsspannung von 21 V ±10
% bewirken eine Verwerfung der Tourenzahl von ±0,1 %
(die Betriebsspannung ist zusätzlich stabilisiert).
4. Eine Veränderung der Frequenz der Speisespannung von
50 Hz auf 60 Hz verursacht eine Veränderung der Drehzahl
von weniger als 0,05%.
Wie Punkt 4 zeigt, läßt sich der Antrieb ohne irgendwelche
Umschaltung an Netzen zwischen 50 Hz und 60 Hz betreiben. Der
neue Motor ist wesentlich leichter als bisherige Synchron-Motoren,
da er weder eine spezielle Schwungmasse noch eine weiche Kupplung
aufweist. Die Capstan-Welle ist direkt mit dem Rotor gekuppelt
und läßt sich dadurch sehr einfach auswechseln.
Die relativ niedrig liegenden Drehzahlen des Tonmotors (400
und 800 U/min) ergeben einen großen Capstan-Wellen-Durchmesser
für den Bandantrieb. |
|
 |
Fig.8. Elektronisch
geregelter Tonmotor mit Regelprint |
 |
Fig.9. Spannungsverlauf
des Diskriminators in Funktion der Frequenz
(anklicken öffnet eine größere Darstellung)
|
 |
Fig.10. Typische
Temperaturgänge, gemessen mit laufendem Motor (im Klimaschrank)
(anklicken öffnet eine größere Darstellung)
|
Technische Daten
| Antriebsprinzip: |
3-Motoren-Laufwerk. Elektronisch geregelter
Capstanmotor. Geschwindigkeitsumschaltung elektronisch |
Band-
geschwindigkeiten: |
19 cm/s (7 ½ ips) ±
0,2 %
9,5 cm/s (3 ¾ ips) ± 0,2 % |
| Tonhöheschwankungen bewertet: |
< ± 0,08 % bei 19 cm/s (7
½ ips) < ± 0,1 % bei 9,5 cm/s
(3 ¾ ips) |
| Schlupf: |
< 0,2 % |
| Spulengröße: |
bis 26,5 cm (10,5") |
| Betriebslage: |
horizontal oder vertikal |
| Verstärker: |
vollständig bestückt mit
Silizium-Planar-Transistoren
Printplatten steckbar |
Frequenzgang über Band: |
30 Hz - 20 kHz + 2 / -3 db bei 19
cm/s
50 Hz - 15 kHz ± 1,5 db
30 Hz - 16 kHz + 2 / -3 db bei 9,5 cm/s
50 Hz - 10 kHz ± 1,5 db |
Klirrfaktor (Voll-
aussteuerung 1 kHz): |
< 2 % bei 19 cm/s (7 ½ ips)
< 3 % bei 9,5 cm/s (3 ¾ ips) |
| Entzerrung: |
Aufnahme NAB. Wiedergabe NAB und IEC,
umschaltbar |
Geräuschspannungs-
abstand: (über Band, bewertet, Filter CCIF)
|
> 58 db bei 19 cm/s > 56
db bei 9,5 cm/s |
| Übersprechdämpfung (bei
1 kHz): |
Mono > 60 db, Stereo > 45 db
|
| Oszillatorfrequenz: |
120 kHz, Gegentaktoszillator |
| Eingänge pro Kanal: |
Cinch/Jack Mikrophon, umschaltbar
Low/Hi
Low 50 - 600 Ohm 0,15 mV
Hi bis 100 kOhm 2 mV
5-pol DIN Radio 2 mV / 33 kOhm
Cinch Auxiliary 40 mV / 1 MOhm |
| Ausgänge pro Kanal: |
Cinch/Jack Output max. 2,5 V / Ri
600 Ohm
5-pol DIN Radio max. 1,2 V / Ri 2,5 kOhm
Jack Kopfhörer 200 - 600 Ohm |
| Fernsteuerung: |
Impulssteuerung für alle Funktionen |
| Endverstärker: |
zusätzlich steckbar |
Ausgangsleistung:
(Belastung 8 Ohm, Klirrfaktor < 1 %) |
Music power 20 W (pro Kanal 10 W)
Dauerleistung 16 W (pro Kanal 8 W) |
| Ausgangsimpedanz: |
4 - 16 Ohm |
Eingebaute Lautsprecher:
(Koffermodell) |
pro Kanal 2 Lautsprecher (werden
bei Benützung der DIN-Lautsprecherbuchsen automatisch
abgeschaltet) |
| Bestückung: |
54 Transistoren, 32 Dioden, 4 Silizium-Gleichrichter,
1 Fotowiderstand, 4 Relais |
| Netzteil: |
elektronisch stabilisiert |
| Netzspannungen: |
110, 130, 150, 220, 240, 250 V ~
/ 50 - 60 Hz |
| Leistungsaufnahme: |
ohne Endverstärker 70 W,
mit Endverstärker ca. 70 - 100 W |
| Netzsicherungen: |
220 - 250 V ~ / 0,5 A
110 - 150 V ~ / 1,0 A |
| Gewicht: |
ca. 15 kg |
|
|
|
| aus: radio tv Service No.99/100
(1968) |
|
|