| |
| Werner Schulz |
|
Tonbandgerät mit neuen Ideen |
|
A 700 heißt eine neue Revox-Tonbandmaschine
aus dem Hause Studer, deren Erscheinen bereits länger angekündigt
war, die aber dem breiten Publikum erst auf der Berliner Funkausstellung
vorgestellt wurde. Die Maschine A 700 ist ein semiprofessionelles
Gerät mit hohen Ambitionen für den Weltmarkt, dessen
technische Besonderheiten wohl vor allem die weitgetriebene
Integration mit LSI- Schaltungen für die Laufwerksteuerung
und mit rauscharmen Operationsverstärkern für den
Nf- Teil, die Quarzreferenz für die Tonmotorsteuerung und
die elektronische Bandlaufstabilisierung sein dürften.
Eigentlich ist es doch erfreulich, wenn ein renomierter Hersteller
bei der Einführung eines neuen Produktes einem regelrechten
"Erwartungsdruck" ausgesetzt ist. Der Schweizer Hersteller
Studer ist - nach dem durchschlagenden Erfolg der Revox-Maschine
A 77 - sicher in dieser glücklichen Lage. Der neuen Maschine
A 700 kann man die Anstrengung seiner Entwickler, wieder einen
gehörigen Vorsprung zu erzielen, deutlich anmerken. Im
schwarzweißen Metall- Design hat die neue Maschine sicher
den Anschluß an internationale, vor allem japanische Maßstäbe
gefunden, in der technischen Ausstattung wird sie sicher Anschlüsse
nach sich ziehen (Bild 1).
|
|
 |
Bild 1. Die neue
semiprofessionelle Revox- Tonband- Maschine A 700 in Zweispur-
Stereo- Ausführung mit drei Bandgeschwindigkeiten (38,
19, 9,5 cm/s). Die zahlreichen Bedienungsorgane sind sehr übersichtlich
angeordnet. Abmessungen: 483 mm x 207 mm x 462 mm |
Die neue Maschine soll das semiprofessionelle
Revox- Programm nach oben abrunden - das Gerät A 77 wird
daneben für seinen eigenen Einsatzbereich weiter gebaut.
Zugleich zeigt sich an der Neuentwicklung die immer stärkere
Spezialisierung auf dem Magnettongebiet. Die Hi-Fi-Kassetten-
Geräte, die sich inzwischen ihren Marktanteil bei den Heim-
Stereoanlagen erobern, zwingen Spulen- Geräte, die ernst
genommen werden wollen, in immer schwindelndere Höhen der
Perfektion, zu extremer mechanischer und elektrischer Stabilität
und zugleich akustischer Variabilität - also zu einem ungeahnten
Angebot an schöpferischen Anwendungsmöglichkeiten.
Gleichzeitig zwingen ökonomische Gegebenheiten, Marktverbreiterungen
und Kostensteigerungen, zu neuen technischen Lösungen.
Auch dies zeichnet sich in der neuen Revox- Maschine ab: in
immer weiter vorgetriebener Anwendung der integrierten Schaltungen.
Die Maschine A 700 enthält neunzehn IS und 2 (eigens für
sie entwickelte) hochkomplexe LSI- Schaltungen für die
Laufwerk- und Tonmotor- Steuerung. Analoge (oder "lineare")
IS finden sich als rauscharme Operationsverstärker im Nf-
Teil des Geräts. Aus der fortschreitenden Integration ergeben
sich umgekehrt wieder neue konstruktive Lösungen im Aufbau:
der durchgehende Modulaufbau, z. B. in der Zusammenfassung der
Laufwerksteuerung auf einer relativ kleinen Schaltkarte. Die
wichtigsten Details der Steuerung und des Nf- Teils sollen in
diesem Aufsatz vorgestellt werden.
Motorsteuerung
Selbstverständlich ist die neue Maschine mit einem Drei-
Motoren- Laufwerk ausgestattet. Neu gegenüber der Maschine
A 77, deren Tonmotorsteuerung über einen Frequenzvergleich
mit einem hochkonstanten LC- Glied bei ihrer Einführung
vor sechs Jahren beinahe als revolutionär galt, arbeitet
die neue Maschine A 700 mit einer Servoregelung über eine
Quarzreferenz. Das Prinzip der induktiven Abtastung am Rotor
des Tonmotors wird beibehalten. Die Motordrehzahl wird aber
nun über einen Frequenz- und Phasenvergleich (dies zur
Restsynchronisierung) mit der Quarzreferenz von 1,6384 MHz verglichen.
Das geschieht über eine als Kundenschaltkreis für
Studer entwickelte IS- Teilersdialtung - ähnlich denen,
wie sie bereits in Quarzuhren verwendet werden (Bild
2).
Mit dieser Regelschaltung werden alle Tonhöhenschwankungen
- bei der höchsten Bandgeschwindigkeit von 38 cm/s bis
auf 0,06 % - ausgeregelt. Dazu trägt sicher auch die Sinussteuerung
der Motoren bei, die für einen sehr ruhigen und gleichmäßigen
Lauf der Motoren sorgt und Schritteffekte, wie sie bei der Ansteuerung
von Schrittmotoren mit Impulsen auftreten, sicher verhindert.
Denn auf mechanische Übertragungsglieder wie Rutschkupplungen
und Riemen wird beim Bandantrieb verzichtet.
Die Drehzahlstabilität des Tonmotors geht soweit, daß
er in die Quarzreferenz gewissermaßen "einrastet",
also absolut synchron zu ihr läuft, und zwar bei allen
drei Bandgeschwindigkeiten. Ist dieser Synchronlauf erreicht
(bereits kurze Zeit nach dem Start des Motors), leuchtet eine
Synchronanzeige in der gewählten Geschwindigkeitstaste
auf. Die Abweichungen von der Sollgeschwindigkeit sind in jedem
Fall kleiner als ± 0,1%, das gleiche gilt für den
Schlupf. Die Stabilität dieser Anordnung bleibt bei allen
Wickeldurchmessern erhalten, so daß sogar extrem kleine
Spulenkerne mit 4 cm Durchmesser auf der Maschine einwandfrei
laufen.
Andererseits läßt sich mit dieser Motorsteuerung
die Bandgeschwindigkeit auch beliebig, das heißt in den
Grenzen von 6,5 cm/s bis 57 cm/s variieren. Das geschieht mit
einem externen, zwischen 1 kHz und 10 kHz durchgestimmten Oszillator.
Damit lassen sich also die vielfältigsten Toneffekte und
Geschwindigkeitstransformationen erzielen. Mit einem anderen
Zusatzgerät, mit einem stufenweise durchstimmbaren Oszillator,
lassen sich, etwa bei Musikaufnahmen, Halbtontranspositionen
bis zu ± 7 Halbtönen vornehmen. Auch dabei leuchtet
die Synchronanzeige in der Geschwindigkeitstaste auf.
Das Druckguß- Chassis mit großflächiger Rückwand
dient neben seiner Hauptfunktion als starre Positionierung des
Laufwerks zugleich auch als Kühlkörper für die
Endstufen-Transistoren der Motorsteuerung. Die Motoren sind
so raffiniert gelagert, daß das gesamte Laufwerk weniger
als 30 dBA Eigengeräusch liefert - also praktisch unhörbar
ist.
Laufwerksteuerung
Die durchgehende Relaissteuerung war seinerzeit in der Revox-
Maschine A 77 ein Novum - oder zumindest die Ausnahme in dieser
Geräteklasse. Jetzt wartet die neue Maschine A 700 mit
der Abkehr von der "konventionellen" (wie es in einer
Studer- Mitteilung sehr schön heißt) Relaissteuerung
auf. Jetzt geschieht die Laufwerksteuerung rein elektronisch,
in einer LSI-Schaltlogik (Bild
2). |
|
|
Bild
2 Die Motor- und Laufwerksteuerung der Maschine A 700 |
Damit werden auch die externe Steuerung der Lauffunktionen,
ihre Verriegelung und Speicherung samt Rückmeldung über
Leuchttasten zu einem Kinderspiel. Die Betriebssicherheit im
Vergleich zu den sehr anspruchsvollen mechanischen Schaltgliedern
wächst beträchtlich. Zugleich geht der Wechsel der
Lauffunktionen wesentlich schneller vonstatten. So kann man
sogar während des Umspulens die Schnell- Stop- Taste betätigen,
denn ihre Funktion bleibt auch dabei erhalten. Eine Repetiertaste
zum Kurzrücklauf bei der Wiedergabe, ähnlich der bei
Diktiergeräten, ließ sich einfach realisieren. Auch
dieser Kurzrücklauf arbeitet wegen der exakt ge-dämpften
Band- und Spulenbewegung ohne merkliche Zeitkonstanten.
Zum perfekten Gleichlauf des Bandes und zum bandschonenden Umspulen
tragen eine aufwendige Sensor- Elektronik und zwei Beruhigungsrollen
bei. Die Sensor- Elektronik besteht aus zwei elektronischen
Bandzug- Sensoren für die Wickelmotoren, einem Bandbewegungs-
Sensor und einem optoelektronischen Bandend- Sensor für
Störungsmeldungen und Automatik- Betrieb.
Die Bandzug- Sensoren ändern, abhängig vom aktuellen
Bandzug und der aktuellen Bandgeschwindigkeit, das Kopplungsverhältnis
zwischen den dafür vorgesehenen 1-MHz- Oszillatoren mit
Auskoppelspule und dazugehöriger Empfängerspule. Bild
3 zeigt dieses Prinzip für die Wickelmotorsteuerung.
|
|
 |
Bild 3. Das Schema
der Bandzugregelung mit Bandzug- Sensor |
Die beiden Bandzug- Sensoren für die Wickelmotorsteuerung
bestehen aus den auch im Bild 1 rechts und links außen
sichtbaren "oberirdischen" Fühlhebeln, die das
Band umläuft. Ihre vom aktuellen Bandzug gegen eine Federkraft
eingestellte Position bestimmt dann die Kopplung der im Bild
3 skizzierten "unterirdischen" Sensorspule. Bei der
Auslenkung der Fühlhebel schiebt sich eine Blende zwischen
die Auskoppel- und Empfängerspule des Sensors. Das in der
Empfängerspule des Sensors erhaltene Signal steuert dann
nach Gleichrichtung die Treiberschaltung des zugehörigen
Wickelmotors. Die notwendige Dämpfung dieser Regelkreise
wird mechanisch über Silikon- Absorber vorgenommen -eine
für diese Geräteklasse sehr aufwendige, aber temperaturstabile
Anordnung.
Wird zwischen zwei automatisch oder manuell gesteuerten Bewegungsvorgängen
des Bandes (etwa: Wiedergabe - Rücklauf - Vorlauf) ein
Stoppen notwendig, tritt der Bandbewegungs- Sensor in Aktion.
Der Bandbewegungs- Sensor ist mit der rechten (großen)
Bandberuhigungsrolle (vgl. Bild 1) verbunden. Er arbeitet ähnlich
wie die Bandzug- Sensoren. Hier wird jedoch über eine mit
der Beruhigungsrolle umlaufende Flügelblende ein intermittierender
1-MHz- Oszillator induktiv gesteuert. Dessen Signal enthält
also die Information Band läuft oder Band steht. Dieses
Signal benötigt die Bandlauf- Elektronik zur Einleitung
oder Verzögerung des nächsten Band- Bewegungsschrittes.
Bei Störungen (Bandrissen) schaltet die Bandlauf- Elektronik
automatisch nach 2 s auf Stop.
Die rechte Band-Beruhigungsrolle treibt übrigens auch das
Bändzählwerk - wie man bei Studer stolz bemerkt: mit
dem einzigen Riemen im Gerät - sehr genau an. Dieses Zählwerk
ist in Minuten und Sekunden geteilt, gültig bei der Bandgeschwindigkeit
19 cm/s. Bei den beiden anderen Geschwindigkeiten muß
die Zählwerkangabe entsprechend halbiert oder verdoppelt
werden.
Ober den optoelektronischen Bandend- Sensor mit Fototransistor
wird der Bandlauf- Elektronik das Bandende signalisiert. Damit
ist auch automatischer Endlosbetrieb mit ständiger Wiederholung
des Abspielvorgangs möglich.
Nf-Teil
Der Nf- Teil der Maschine A 700 ist weitgehend mit integrierten
Operationsverstärkern aufgebaut. Diese wurden eigens für
die Maschine entwickelt, mit dem Ziel, die Rauscheigenschaften
von diskreten Transistoren zu erreichen und möglichst zu
übertreffen. Damit wird neben einer Verbesserung der Übertragungsqualität
vor allem eine höhere Zuverlässigkeit, durch Wegfall
der internen Verbindungen und störanfälligen Lötstellen,
erreicht. Damit konnte bei der Bandgeschwindigkeit 19 cm/s ein
Geräuschspannungsabstand (nach ASA-A, Vollaussteuerung
+6dB) von >66dB erzielt werden. Dieser Wert wurde über
Band gemessen. Der Frequenzumfang für dieselbe Geschwindigkeit
erreicht mit Abweichungen von +2 bzw. -3 dB 30 Hz bis 20 000
Hz. Zwischen 50 Hz und 15 000 Hz sind die Abweichungen
< ± 1,5 dB.
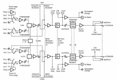
Sehr viel Gedankenarbeit hat man sich über die möglichst
flexible Auslegung der Eingangs- und Ausgangs- Kanäle gemacht
(Bild 4). |
|

|
Bild 4.
Blockschaltbild des Nf-Teils mit Eingangs- und Ausgangsschaltung,
und Mischpult
(Click to enlarge) |
Der Eingangsteil mit zwei symmetrischen erdfreien
Stereo- Mikrofoneingängen läßt sich als autonomes
vierkanaliges Mischpult betreiben. Statt der Mikrofone lassen
sich auch die anderen Eingänge zumischen: ein Stereo- Phono-
Eingang, mit eingebautem RIAA- Entzerrer für magnetische
Tonabnehmer, ein Stereo- Radio- Eingang und zwei Stereo- Hilfseingänge
mit 40 mV/100 kOhm. Alle Eingänge sind bis zu 40 dB (Verhältnis
1:100) übersteuerbar. Hinter der Eingangsschaltung befindet
sich ein Stereo- Summenregler. Mit dem eingebauten Entzerrer-
Vorverstärker ist die Maschine A 700 auch als Vorverstärker
für hochwertige Plattenspieler verwendbar, zwei zugehörige,
im gleichen Programm gebaute Stereo- Endstufen (A 722 und A
724) schalten sich automatisch mit der Tonband- Maschine ferngesteuert
ein. Der Ausgang für die Endstufe ist niederohmig. Daneben
stehen auch ungeregelte Leitungsausgänge mit 1,55 V Pegel
bei Vollaussteuerung mit 0VU +6dB zur Verfügung. Die Einsteller
für Höhen und Tiefen umfassen einen Bereich von ±8
dB, sie sind in 2- dB- Stufen exakt reproduzierbar geteilt.
Aussteuerung
Zur Aussteuerungsmessung finden, wie inzwischen fast allgemein
üblich, zwei VU- Meter Anwendung. Sie haben bekanntlich
den Nachteil, daß sie sehr schnelle Spitzen nicht richtig
anzeigen können. Deswegen hat man sich bei Studer eine
zusätzliche Spitzenwert- Messung -zur Verhinderung eventueller
Obersteuerungen- einfallen lassen. Dies in Form von Leuchtpunkten,
die in die Skala der VU- Meter eingebaut sind. Auf diese Weise
ergibt sich eine zusätzliche optische Spitzenwert- Anzeige
mit einer Ansprechzeit von 10 ms und einer Haltezeit von ca.
0,2 s. Die Ansprechschwelle für diese Übersteuerungs-
Kontrolle liegt bei +6dB. Damit nähert man sich bereits,
zumindest was die Anzeige von eventuell störenden Impulsen
angeht, der Charakteristik von Studio- Spitzenspannungsmessern,
ohne auf die wesentlich ruhigere und dem Ohr angemessene VU-
Charakteristik zu verzichten. Die beiden hochwertigen, mit Saphirlagern
ausgestatteten VU- Meter lassen sich wahlweise auf Vor- oder
Hinter- Band umschalten.
Kopfelektronik
Noch einige Bemerkungen zur sehr gut ausgebauten Kopfelektronik,
auf deren zahlreiche Finessen hier allerdings nicht eingegangen
werden kann. Beim Übergang von Mono auf Stereo und umgekehrt,
bei der Wahl der Bandgeschwindigkeit müssen die Tonköpfe
entsprechend umgeschaltet werden, und zwar in der Entzerrung
des Signals sowie in der Kanalaufteilung. Auch dies geschieht
erstmals bei der Maschine A 700 rein elektronisch. Damit sind
also Abnützungserscheinungen und Störungen beseitigt,
die bei mechanischen Schaltern bislang auftreten konnten. Zudem
kann jetzt der Gegentakt-Oszillator für die Lösch-
und Vormagnetisie-rungsfrequenz (150 kHz) weich eingeschaltet
werden. Damit ist auch das Problem der Schaltknackse elegant
gelöst. Mit der sehr flexiblen Kopfanordnung auf der Kopfträgerplatte,
die zudem noch Raum für 1 zusätzlichen Steuer- oder
Synchronkopf läßt, sind selbstverständlich auch
Echo- Aufnahmen in Stereo und Multiplay-Stereo- Betrieb möglich. |
|
Technische Daten Tonhöhenschwankungen:
| 38 cm/s - |
|
± 0,06
% |
| 19 cm/s - |
|
± 0,08
% |
| 9,5 cm/s - |
|
± 0,1
% |
Frequenzgang:
| 38 cm/s - |
|
30 Hz... 22 000 Hz + 2 bzw.
- 3 dB |
| |
|
50 Hz... 18 000 Hz ±
1,5 dB |
| 19 cm/s - |
|
30 Hz... 20 000 Hz + 2 bzw.
- 3 dB |
| |
|
50 Hz... 15 000 Hz ±
1,5 dB |
| 9,5 cm/s - |
|
30 Hz... 16 000 Hz + 2 bzw.
- 3 dB |
| |
|
50 Hz... 10 000 Hz±
1,5 dB |
Klirrfaktor:
(über Band,
1000 Hz) |
|
Aus-
Steuerung
0VU+6dB |
|
Aus-
Steuerung
0VU |
| 38 cm/s, 19 cm/s |
|
< 2 % |
|
< 0,6% |
| 9,5 cm/s |
|
< 3 % |
|
< 1 % |
Geräuschspan-
nungsabstand:
(ASA-A, Voll-
aussteuerung) |
|
38 cm/s > 65 dB
19 cm/s > 66 dB
9,5 cm/s > 63 dB |
| |
|
|
Übersprech-
dämpfung:
(1000 Hz) |
|
Mono > 60 dB
Stereo > 45 dB |
|
|
aus: FUNKSCHAU 1973, Heft 26,
Seite 995 ff. Herzlichen Dank
an die
Funkschau für die Erlaubnis, diesen Artikel hier zu
veröffentlichen. |
|
|