|
|
Spannungs-Referenz
|
|
In den letzten Jahren erschienen auf dem Elektronikmarkt
immer mehr Digitalvoltmeter-ICs, mit denen auch der Amateurelektroniker
auf einfache Weise ein komplettes Digitalmultimeter aufbauen
kann. Ein solches Meßgerät kann aber immer nur so
gut sein, wie die Absolut-Kalibrierung und der Abgleich von
Teilerwiderständen erfolgt ist. Da nicht jeder Elektroniker
ein gutes, neu kalibriertes DVM als Vergleichsmeßgerät
zur Verfügung hat, sollte eine genaue, temperaturstabile
Spannungsreferenz in keinem Labor fehlen.
Auf dem Markt sind einige integrierte Präzisions-Spannungsreferenzen
erhältlich. Man unterscheidet dabei zwischen temperaturstabilen
Spannungsquellen und Spannungsquellen mit eng tolerierter Ausgangsspannung.
Ein Baustein, der beide Arten einigermaßen gut vereint
und keine Abgleicharten erfordert, ist der Typ AD 584 von Analog
Devices. Für die Temperaturstabilität sollte der Ausgangsstrom
relativ gering sein (Erwärmung des ICs). Deshalb muß
für höhere Ströme eine zusätzliche Endstufe
nachgeschaltet werden.
Technische Daten
Die Präzisions-Spannungsreferenz AD 584 [1] besteht aus
einer hochstabilen 1,215-V-Bandgap-Referenz und einem Operationsverstärker.
Es stehen fünf Festspannungen zur Verfügung: 10V;
7,5V; 5V; 2,5V; 1,2V. Neben diesen kann durch externe Beschaltung
eine Vielzahl von anderen Spannungswerten erzeugt werden [2].
Auch eine Beschaltung als variable, temperaturstabile Spannungsquelle
ist möglich.
Der preisgünstige Typ AD 584 JH hat eine Temperaturstabilität
von 30 ppm/K. Dies reicht für die meisten Kalibrierprobleme
vollkommen aus. Die Genauigkeit der Ausgangsspannung ist bei
10 V mit ± 30 mV angegeben, das entspricht einer Abweichung
von 0,3 %. In der Praxis hat sich jedoch gezeigt, daß
die Abweichungen fast um den Faktor 10 besser sind. Um die genaue
Ausgangsspannung zu kennen, muß die aufgebaute Schaltung
(Bild 1) in jeder Schalterstellung einmal ausgemessen werden.
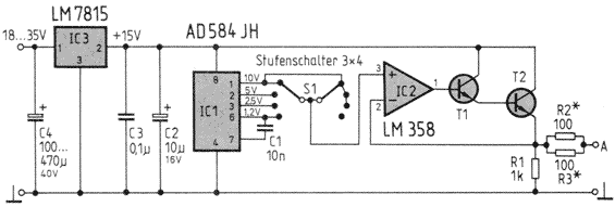
Die Schaltung
|
|

| T1: |
N1306, 2N1613
2N1711, 2N2218/19/21/22 |
T2: |
BD135/137/139
BD165/167/169
BD 233/235/237 |
*R2,R3: |
1%/1W
oder 4 Stück 200Ω/0,5W |
Bild 1. Schaltung der Spannungs-Referenz mit einer Leistungsendstufe
und 50-Ω-Ausgang |
Bild 1 zeigt die gesamte Schaltung der Spannungsreferenz.
Die Wahl der Ausgangsspannungen erfolgt mit Schalter S1, wobei
außer bei den 1,2 V jeweils die Ausgangsspannung mit dem
Pin 1 verbunden werden muß. Pin 6 (1,2V Bandgap-Referenz)
wird direkt der Endstufe zugeführt, die 7,5-V-Referenz
bleibt unberücksichtigt.
Die Ausgangsspannung, deren Rauschen mit C1 reduziert ist, wird
dann der Endstufe (IC2, T1, T2) zugeführt. Sie ist im Prinzip
ein nichtinvertierender Leistungsoperationsverstärker mit
der Verstärkung V=1. Für die Transistoren kann eine
Vielzahl von NPN-Typen verwendet werden. R2 und R3 sorgen für
Kurzschlußfestigkeit und einen definierten Ausgangswiderstand
von 50 Ω. Steht ein genauer 50-Ω-Lastwiderstand
zur Verfügung, so kann der Innenwiderstand genau auf 50
Ω abgeglichen werden (Ausgangsspannung muß mit Last
um die Hälfte absinken).
Die Spannungsversorgung erfolgt mit einem 15-V-Spannungsregler,
der ebenfalls gekühlt werden muß. Die Kondensatoren
C2, C3 und C4 dienen zur Abblockung von Wechselspannungen. Bild
2 zeigt das Platinenlayout und Bild 3 den Bestückungsplan.
Siegfried Kilgenstein |
|
 |
 |
| Bild 2. Platinen-Layout für einen
problemlosen Aufbau der Schaltung |
Bild 3. Bestückungsplan; der Stufenschalter
S 1 kann direkt auf die Leiterbahnseite der Platine gelötet
werden |
|
|
Literatur
[1] Datenblatt AD 584 (Analog Devices)
[2] Linear Datenbuch, National |
|
Stichworte zum
Inhalt
Kalibrierung, AD 584 JH, Bandgap-Referenz, temperaturstabile
Spannungsquelle. |
|
aus: Funkschau 5/1981, Seite
100.
Herzlichen Dank an die
Funkschau für die Erlaubnis, diesen Artikel hier zu
veröffentlichen. |
|
|