Ulrich Theimann www.theimann.com
  Pegelmeßgerät RIM PGM 120
Home > Analog > Misc_Tech > Baumappe RIM PGM 120 Impressum | E-Mail
Revox
Sony Elcaset
Yamaha
Misc_tech
 Magn Speicherung 1
 Magn Speicherung 2
 Spulenbändertest
    Langspielbänder
    Studiobänder
 Bandgeräte einmessen
 Aussteuerungsprobleme
 Aussteuerungsmeßgerät
 Pegelmeßgerät PGM 120
 Spielzeit
 Normen Meßtechnik 1
 Normen Meßtechnik 2
 Entzerrungszeitkonstanten
 DIN-Steckverbindungen
 Kompander
 Tonh Schw Meßgerät
 Symm. Verstärker
 Schellackentzerrer
 Millivoltmeter
 Wechselspg-Millivoltmeter
 Spannungsreferenz
History

Pegelmeßgerät PMG 120

 
RIM PGM 120
 

Inhalt:


1. Funktion
2 Technische Daten
3. Bedienung
4. Schaltung
5. Aufbau
6. Inbetriebnahme
7. Wichtige Hinweise
8. Technischer Anhang
 


1. Funktion:


Wichtigstes Werkzeug der Tonregie ist das Aussteuerungs-Meßgerät. Das professionelle Pegelmeßgerät PMG 120 wurde mit den Erfahrungen der Tonregie-Studiotechnik konzipiert. Hinter der Fassade liegt dichtgepackt modernste Elektronik.

  • Zweikanal-Spitzenspannungs-Messung
  • Eindrucksvolle Leuchtbalken-Darstellung
  • Anschluß an jeder NF-Schnittstelle
  • Logarithmische Skale mit geteiltem Maßstab
  • Hohe Auflösung im oberen Teil bis +6 dB
  • Dehnung im unteren Teil bis -50 dB
  • Simultane Peak-Memory-Anzeige (ohne Umschaltung)
  • Digitale, daher beliebig lange Speicherung mit Sensor-Reset
  • Durchschleif-Anschlüsse in DIN und CINCH
  • Störsichere CMOS-Digital-Logik
  • Kompaktes Metallgehäuse

Leuchtbalken-Anzeige

Das NF-Volumen wird äußerst eindrucksvoll von LED-Leuchtbalken vermittelt. Hohe Auflösung einerseits und großer Anzeigebereich andererseits sind hervorragend vereinigt. Die Leuchtbalken sind 150 mm lang und garantieren mit je 60 Segmenten eine scheinbar analoge und ruckfreie Anzeige.
Im unteren Bereich von -50 dB bis -12 dB repräsentiert 1 Schritt konstant 1, 27 dB. Ab -12 dB beträgt der Schrittabstand nur 0, 6 dB.
Durch Verwendung modernster "high efficiency"-Bargraph-Elemente leuchten die Displaysegmente stark und gleichmäßig.

Peak-Memory-Funktion

Viele andere Displaytechnologien erlauben prinzipiell keine gemischte Leuchtbalken/ Leuchtpunkt-Darstellung. Nicht zuletzt deshalb wählte man hier Leuchtdioden als Anzeigemedium. Das Pegelmeßgerät PMG 120 speichert ab -25 dB jeden neuen Maximalwert rein digital ab und zeigt ihn als einzeln leuchtenden Punkt simultan zum momentanen Leuchtbalken an. Daher erübrigt sich eine Umschaltung Momentan/Maximal (Memory).
Wegen der digitalen Speicherung bleibt der Wert beliebig lange unverändert erhalten.
Das Peak-Hold-Segment kann jederzeit gelöscht, aber auch gänzlich unterdrückt werden. Die Reset-Bedienung ist auch mittels Fernbedienung möglich.

Spitzen wertgleichrichtung


Im PMG 120 kommen sehr schnelle Präzisions-Vollweggleichrichter zum Einsatz. Die charakteristischen Eigenschaften wie Bandbreite, Integrationszeit und Rücklaufzeit halten die Anwendervorschriften ein.

2. Technische Daten:

Eingänge : je zwei Cinch- und DIN-Buchsen, doppelt für Durchschleifmöglichkeit
Empfindlichkeit : 250 mV... 30 V für 0 dB-Anzeige
Eingangsimpedanz : 47 kOhm/unsymmetrisch
Bandbreite : 20 Hz... 25 kHz
Integration : ca. 10 ms/1,5 s für 20 dB-Sprung
Meßfehler : max. + dB und + Schritt
(28 Hz - 20 kHz/ab -40 dB)
Speicherfehler : max. 1 Schritt relativ zur Momentananzeige
Skalenlänge : -50 dB... +6 dB, 150 mm
Auflösung : 60 Schritte pro Kanal
1,27 dB pro Schritt bis -12 dB
0,6 dB pro Schritt ab -12 dB
Stromversorgung : 220 V/50 Hz/ca. 6 W
Absicherung mit 0,1 A (TT)
Schutzklasse II
Trennbare Netzleitung
Abmessungen : Breite 205/Höhe 50/Tiefe 135 (mm)
Gewicht : netto ca. 1050 g

3. Bedienung:

Netzanschluß

Netzleitung zuerst am Gerät, dann den Flachstecker in die 220 V-Netzsteckdose stecken. Das Gerät hat keine Netzleuchte.

NF-Anschluß

Das PMG 120 kann an jede übliche NF-Schnittstelle parallel oder als Endgerät angeschlossen werden. Eine Ausnahmestellung nehmen hier selbstverständlich Knotenpunkte, also Strommischpunkte ein.
Da das PMG 120 sowohl DIN als auch CINCH-Buchsen besitzt, dürften keine Normsteckerprobleme auftreten. Für das parallele Anklemmen an eine Übertragungsleitung wurde die vorteilhafte Durchschleifmöglichkeit mit jeweils 2 parallelgeschalteten Kontakten vorgesehen. Spezial-Adapter erübrigen sich damit. Auch die Kombination DIN hinein/CINCH hinaus ist praktikabel.

 
Anschluß PGM 120
 
Einpegeln

Die Empfindlichkeit kann auf der Rückseite für jeden Kanal separat an Mehrgang-Spindeltrimmern eingestellt werden. Für die Justage wird ein kleiner 3 mm-Schraubendreher benötigt. Eine versehentliche Dejustage ist ausgeschlossen.
Zum Einpegeln ist ein calibrierter Tongenerator vorteilhaft. Nimmt man irgend ein anderes Dauertonsignal, muß der Pegel mit einem Aussteuerungsmesser kontrolliert werden. Normalerweise wird so einjustiert, daß die 0 dB-Marke die Nennaussteuerung oder Grenzaussteuerung repräsentiert.
Die RIM-Fertiggeräte werden mit 0 dBm-Empfindlichkeit ausgeliefert. Beim Betrieb als Pegelmeßgerät an 0 dBm-Schnittstellen kann damit die Justage entfallen.

Peak-Hold-Reset

Die Peak-Hold-Punktanzeige kann jederzeit gelöscht oder dauernd ausgeschaltet werden. Für die momentane Löschung berührt man die beiden benachbarten "Sensor-Reset"-Schrauben am rechten Rand der PMG 120-Front. Die Punktanzeige erlischt damit bis zur nächsten speicherfähigen Aussteuerung. Die Peak-Hold-Funktion wird ausgesetzt, bis der Reset aufgehoben ist. Deshalb kann die Funktion auch ganz unterdrückt werden. Auf der Geräte-Rückseite ist über die Buchse "Reset-Ein" die Sensorfunktion steuerbar. Über die Buchse "Reset-Aus" können weitere PMG 120 für simultane Resetfunktionen angeschlossen werden. Die Abbildungen zeigen einige Anwendungsbeispiele:
 
Reset
 
Reset
 
Reset
 
Fehlerbehebung

Netzanschluß kontrollieren (Kabelbruch.. )
Sicherung kontrollieren
NF-Anschluß kontrollieren (Belegung, Signal)
Pegelregler auf rechten Anschlag drehen (bis leichtes Knacken spürbar)
NF-Stecker abziehen und z. B. mit einer Nadel einen Cinch-lnnenkontakt berühren.
Wenn auch jetzt alles dunkel bleibt, wenden Sie sich bitte an RIM.

4. Schaltung:

a) Prinzip

Die Schaltung des PMG 120 basiert auf dynamischen Prinzipien, was gegenüber statischen eine Menge Bauteile und elektrische Verbindungen einspart. So sind hier statt 120 Konnparatoren und ebenso vielen Leitungen zu den 120 Leuchtdioden nur 2 Komparatoren und 18 Leitungen erforderlich. Die "reine" Digitaltechnik vereinfacht zudem die "Verwaltung" der Peak-Hold-Funktion. Das Display ist mit 2 Leuchtbalken ä 60 Leuchtdioden für die quasi analoge Darstellung ausgestattet. Die Leuchtdioden werden von einem Ringzähler wie ein Lauflicht angesteuert. Es leuchtet also immer nur eine einzige der 60 Leuchtdioden. Nur weil die Durchlaufgeschwindigkeit sehr hoch ist, nimmt das Auge einen "Leuchtbalken" wahr. Die Laufrichtung geht dabei von rechts nach links, also von der +6 dB-Marke zum -50 dB-Ende.
 
Funktionsweise
 
Ohne weitere Maßnahmen würde jetzt ein leuchtender Balken zu sehen sein, dessen 150 mm Länge nicht zu verändern ist. Daher wird noch eine Einrichtung benötigt, die periodisch bei jedem Durchlauf erst ab einer bestimmten Stelle den Leuchtdiodenstrom ermöglicht. Wird der Displaystrom z. B. erst ab dem 20sten Zählschritt eingeschaltet und nach dem 60sten wieder ausgeschaltet, so wird der Leuchtbalken jetzt nur 40 LED und zwar von -50 dB bis zur -6 dB-Marke lang sein. Diese Stromschalter müssen natürlich kanalgetrennt sein, dagegen ist der Ringzähler für beide Kanäle zuständig und nur einmal vorhanden.
Die Funktion der Stromzufuhr-Steuerung übt ein Rampengenerator und pro Kanal ein Komparator aus. Der Rampengenerator erzeugt eine Sägezahn-ähn -liche Spannung mit fallender Charakteristik. Die Rampenspannung hat zu jedem Zeitpunkt eines Lauflicht-Durchlaufs einen bestimmten Wert und verläuft periodisch synchron mit dem Ringzähler. Der Zähler liefert daher ein "Resef-Signal, um den Rampengenerator zu synchronisieren.
Der Komparator vergleicht ständig das gleichgerichtete NF-Signal mit dem Momentanwert des Rampensignales und schaltet den Strom für die Leuchtdioden ab dem Moment ein, wenn die Rampenspannung kleiner als das Eingangssignal wird. Da die Rampenspannung nach dem 60sten Zählschritt mit "Reset" wieder auf ihren maximalen Wert gebracht wird, erlischt der Leuchtbalken zum neuen Durchlauf automatisch und der Ablauf beginnt erneut.

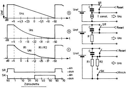
Rampenspannung:

Die periodisch wiederkehrende Form der Rampenspannung U-Ra legt den Skalenverlauf fest. Da die Rampenspannung für beide Meßkanäle gleich ist, können keine Skalenfaktor-Differenzen auftreten. Die Abbildungen zeigen Beispiele für 3 Möglichkeiten, die dazugehörigen Spannungsverläufe und die sich daraus ergebenden Skalen. Man beachte, daß nicht die Kondensatorspannung Uc selbst, sondern die Differenz Uref-Uc als Rampenspannung U-ra herangezogen wird. Dieses Verfahren hat auch den Vorteil, daß kein Endausschlag-Abgleich erfoderlich ist, da die Startspannung mit "Reset" immer gleich Uref ist und die Meßgenauigkeit gerade im oberen Skalenbereich besonders gut ist.

 
Funktion Rampe
 

Bild a zeigt einen Sägezahn mit linear fallender Charakteristik. Nach der Synchronisierung per "Reset" wird der Kondensator G mit konstantem Strom aufgeladen. Diese lineare Rampenspannung wäre für die Messung von physikalischen Größen geeignet, aber wie der Skalenverlauf zeigt, nicht für tontechnische.
Bild b zeigt eine logarithmisch fallende Rampenspannung. Der Kondensator wird einfach über einen Widerstand geladen. Die Skale wäre über den ganzen Bereich in gleichbleibende dB-Schritte unterteilt und böte eine ungenügende Auflösung im 0 dB-Grenzbereich.
Um bei gleicher Skalenlänge und ohne eine höhere Anzahl von: Leuchtdioden eine höhere Auflösung um die 0 dB-Marke herum zu erreichen, Wird beim PMG 120 der Skalenfaktor periodisch umgeschaltet.
Bild c zeigt den Verlauf dieser logarithmischen Kurve mit "Knick". Dazu wird ab dem 30sten Zählerschritt ein weiterer Aufladewiderstand R 2 dem R 1 pa-rallelgeschaltet.
Damit hat die Skale des PMG 120 einen, tontechnisch gesehen, idealen Verlauf: Großer Bereich und trotzdem hohe Auflösung im Grenzbereich. Die Schrittabstände von LED zu LED sind in beiden Teilen der Skale in dB konstant.
Die Schaltungsbeschreibung zeigt auch deutlich, daß mit sehr geringfügigen Änderungen, nämlich nur im Bereich des Rampengenerators beinahe jede beliebige Skale realisiert werden kann.

c) Zähler und Display:

Das Display mit seinen zweimal 60 Leuchtdioden ist als Matrix mit 6 Gruppen a 10 Segmenten geschaltet. Die Ansteuerung geschieht mit einem zweistelligen BCD-Zähler, IC 201 a für die "Einer" und IC 201 b für die "Zehner". IC 208 dekodiert die BCD-Einer auf die 10 Segmentleitungen S 0-S 9. IC 209 dekodiert die BCD-Zehner auf die 6 Gruppenleitungen G 0-G 5 und liefert mit G 7 die Zähler-Rückstellung (Reset). Diese Rückführung läßt den Zähler damit nur bis 69 zählen und danach wieder von 0 an beginnen. Während den Zählertakten 60-69 bleibt das Display dunkel und wird das Rampensignal über G 6 synchronisiert.
Die Schalttransistoren T 307 bis 316 sind mit den LED-Kathoden beider Anzeigenkanäle verbunden und fungieren als Segmentschalter. Sie sind unmittelbar mit dem "Einer"-Dekodierer verbunden. Die Gruppentreiber sind kanalgetrennt. T 317-T 322 schalten die LED-Anoden des linken Kanals, T 323-T 328 die des rechten Kanals. Der "Zehner"-Dekodierer wirkt simultan auf die Gruppentreiber beider Kanäle. Die Hauptstromschalter, mit denen letztlich die Leuchtbalkenlängen beeinflußt werden, sind als Gegentaktstufen mit T 302/303 für den linken und T 305/306 für den rechten Kanal aufgebaut. Das Gegentaktprinzip garantiert eine schnelle und sichere Stromunterbrechung und verhindert ungewünschtes Vor- und Nachleuchten.
Die Größe des Stromflusses durch die Leuchtdioden wird mit den Vorwiderständen R 303 und R 304 bzw. R 307 begrenzt. Damit die einzelne Peak-Hold-LED etwas prägnanter wirkt als der großflächige Leuchtbalken, überbrücken T 301 bzw. T 304 einen der Vorwiderstände, sorgen also für einen höheren Stromfluß in diesen kleinen Moment während der Peak-Hold-Punkt-Anzeige.

d) Peak-Hold-LED


Die Aufgabe der Peak-Hold-Einrichtung ist es, den bisher längsten Stand des Leuchtbalkens mit einer einzigen LED anzuzeigen. Diese Funktion erfüllt das PMG 120 rein digital, also nicht per unzuverlässiger analogen Maximalwertspeicherung. Die Peak-Hold-Anzeige ist erst bei höheren Pegeln von Interesse. Beim PMG 120 funktioniert die Einrichtung ab der -25 dB-Marke, also über einen Bereich von 40 Leuchtdioden bzw. 40 Zählschritten. Für die digitale Abspeicherung genügen 6 Bit-Register, 4 davon für die BCD-Einer und 2 für die BCD-Zehner des zweistelligen Zählers. Man beachte, daß der Zähler bei der höchstwertigsten LED-Nr. 1 beginnt und in die Richtung zur niederwertigsten LED-Nr. 60 zählt. Schaltet der Komparator beim Zählerstand 00 bereits den LED-Strom ein, bedeutet dies den längsten möglichen Leuchtbalken, also die maximale Anzeige.
Ein neuer Zählerstand wird immer dann in den Speicher übernommen, wenn das Komparatorsignal "LED-Strom ein" bei einem Zählerstand kommt, der kleiner als der bisherige abgespeicherte ist.
Außerdem wird der Display-Strom auch immer genau in dem Moment ermöglicht, wenn der Zählerstand gleich dem Speicherstand ist. In diesem Moment leuchtet dann die Peak-Hold-LED. Die Auswertung kleiner/gleich liefert ein binärer Vergleicher. Die Steuerung dieses Komplexes übernimmt eine verknüpfte Logik auf dem Modul C.

e) System-Takt

Da alle Schaltelemente bestimmte Schaltverzögerungen besitzen, dürfen in den Momenten der Zählerweiterschaltung keine Speicheraktivitäten passieren. Deshalb wird das PMG 120 von einem zweiphasigen Takt gesteuert. Die "Strobe"-Leitungen im Modul C schalten die Logik und das Display immer dann für einen winzigen Moment stumm, wenn der Zählerstand erhöht wird. Signalüberschneidungen können sich damit nicht negativ auswirken.
 
Systemtakt
 
g) Schnittstellen-Signale

CL 0 : Zählertakt. Mit jeder positiven Flanke zählt der Zähler 1 Schritt auf-
wärts. Die Frequenz sollte ca. 6 kHz (17: 150 usec) betragen. Stillstand von CL 0 kann u. U. die Zerstörung von LED bedeuten!
CL 1 : Speicher-Übernahmesignal. Der aktuelle Zählerstand wird mit der po-
CL 2 sitiven Flanke in den Speicher übernommen. CL ist ohne besondere
Vorkehrungen nicht periodisch meßbar!
R - Ra: Resetsignal für den Rampengenerator. Während R - Ra log. L ist,
wird der Rampenkondensator C 25 über T 1 kurzgeschlossen und damit U Ra = U Ref (IC 9). Ableitung aus G 6 vom Gruppen ("Zehner"-)Dekodierer.
K - Ra: Skalenfaktor-Umschaltung (Knick). K - Ra ist vom Zählerstand 30 bis 60 log. H. Die Funktion erfüllt ein RS-Flip Flop (IC 104), das mit G 3 gestartet und mit G 6 des Gruppendekodierers rückgesetzt wird.
H 1 : Hellsteuerung für das Display. Log. H = Display hell.
H 2 : Das Signal wird alle 150 usec. durch Strobe unterbrochen.
 
Hell-Dunkel Tastung
 
PH 1 : Hellsteuerung für die Peak-Hold-LED. Dauert pro Durchlauf nur
PH 2 einen Zählerschritt, 150 usec. lang.
Das PH-Signal ist L-aktiv und wird aus dem (a = b) des Vergleichers abgeleitet.
 
PH 2 Signal
 

K 1 : Komparatorausgang. Ist log. L, wenn die Rampenspannung kleiner
K 2 als die Meßspannung wird, also der Display-Leuchtbalken unter
Strom gesetzt werden soll. G - C: BCD-Leitung des Zehnerzählers mit der Wertigkeit 4 ist ab dem
40sten Zählschritt log. H. Das aus G - C und "Strobe" generierte
INH/CL-Signal sperrt die Speicherübernahmemöglichkeit. R-Sensor: Reset-Eingang mit hochohmigen Sensoreigenschaften. Das Signal ist
L-aktiv. Ein dauernder Massekontakt sperrt die Peak-Hold-Anzeige.

g) NF-Gleichrichter

Unmittelbar am Eingang kann das NF-Signal mit dem passiven Abschwächer R 2 eingepegelt werden. Die Dioden D 1/2 schützen IC 1 vor Überspannungen. IC 1 verstärkt die Wechselspannung um v = 1 + R 4/R 3 = 21.
Die Volleg-Gleichrichtung erfolgt im Schaltungsabschnitt IC 2 bis IC 3. Diese Operationsverstärker sind gänzlich in MOS-Technik aufgebaut, haben einen extrem hohen Eingangswiderstand und einen in dieser Anwendung vorteilhaften MOS-Ausgang.
IC 2 arbeitet in invertierender Gleichrichterschaltung und wandelt die negativen Halbwellen mit der Verstärkung v = R 7/R 5 = 0, 5 in positive um. Die positiven Eingangssignalanteile werden von IC 2 ignoriert und gelangen mit der Spannungsteiler-Gesetzmäßigkeit v = R 8/(R 5 + R 7 + R 8) = +0, 5 an IC 3.
IC 3 erhält das pulsierende, aber nur mehr positive Resultat zur endgültigen Gleichrichtung. Am Integrationskondensator C 9 steht jetzt eine dem Spitzenwert der Wechselspannung proportionale Gleichspannung an. Für die Entladung ist praktisch nur R 10 wirksam. Die so gewonnene Meßspannung wird in IC 4 nochmal mit Faktor 2 verstärkt und dem Komparator zugeführt.

Betrieb als VU-Aussteuerungs-Meßgerät

Manchmal erweist es sich als praktischer, statt Spitzenwerten die Lautstärkenmittelwerte zu erfassen. Die PMG 120-Konzeptionen ermöglichen durch kleine Eingriffe eine solche Umrüstung. Auch die Umschaltung ist möglich. Da die entsprechenden Schaltungspunkte aber einstreugefährdet sind, wird zum Umschalten die Reed-Relaistechnik empfohlen.

Umbau:

Der Widerstand R 9 wird gemäß der im Bauplan A mit einem Sternchen gekennzeichneten Stelle "umgeleitet".
Der neue Wert von R 9 bestimmt das Anstiegszeitverhalten der Integration in C 9 und sollte im Rahmen 0, 3... 1 MOhm liegen. Das gleiche gilt für R 23 im rechten Kanal.
Bei der meßtechnischen Überprüfung muß nun auch das Anstiegsverhalten auf Gleichheit getestet und durch Anpassen von R 9/23 nivelliert werden. Die Offset-Trimmwiderstände R 41/42 haben bei der VU-Schaltung keinen Einfluß.

5. Aufbau:

Das Gerät darf nur von "Fachkundigen" aus einem original RIM-Bausatz erstellt werden!

Der Aufbau ist jedoch leicht, sofern man gewissenhaft und ohne Zeitdruck arbeitet. Weltmeisterliche Zeitrekorde haben hier oft Fehler- und damit letztlich Geld- und wieder Zeitverluste zur Folge!

a) Allgemeine Aufbauhinweise:

Für alle Lötarbeiten ist ein Lötkolben mit ca. 30-50 Watt und einer feinen, max. 1, 5 mm dicken Spitze zu empfehlen. Zu langes oder wiederholtes Löten an einer Stelle kann die Bauteile überhitzen und die Leiterbahnen ablösen.
Eine sehr sichere Methode, um Bauteilverwechslungen auszuschließen ist, vor der Bestückungsarbeit jedes Bauteil nach der Stückliste zu identifizieren und zu sortieren. Beim Einsetzen eines jeden Bauteils vergewissere man sich auf die Richtigkeit von Wert, Lage und Polung. Alle DIL-IC' s sitzen auf Fassungen. Auch Fassungen haben eine Lagemarkierung. Daher ist es hilfreich, schon die Fassungen lagerichtig, d. h. mit ihrer Markierung zum Pin 1 hin einzusetzen. Damit gibt es später beim Einsetzen der IC' s kein Rätselraten. Die DIL-Fassungen und die DIN-Buchsen müssen ganzflächig plan aufliegen. Deshalb wird angeraten, diese Bauteile gleich als Erstes einzubauen und angepreßt zu verlöten.
Die Reihenfolge der weiteren Bestückung sollte sich nach der Bauhöhe der Teile richten: Zuerst die niedrigen und zum Schluß die hohen Bauteile.
Die umfangreichen Baupläne geben erschöpfend Auskunft. Sie sollten bei allen Tätigkeiten unbedingt zur Kontrolle mit beachtet werden.
Nun noch spezielle Tips zu den einzelnen Abschnitten:

b) Modul A

Die Teile T 3 und IC 10 werden unter Heranziehung des Montageplans zusammen mit dem linken Verbindungsblech montiert. Bei T 3 vergesse man keinesfalls die Glimmerscheibe und Isolierscheibe! Auch das rechte Verbindungsblech kann bereits am Modul A befestigt werden. Die Verschraubungen sollten aber erst bei der Endmontage endgültig festgezogen werden.

c) Module C und Z

Diese fertig gelöteten Module sollten vor ihrem Einbau nochmal sorgfältig auf Richtigkeit, Zinnspritzer und Lötkurzschlüsse überprüft werden. Sind diese Module einmal auf den Verbindungsblechen montiert, kann nichts mehr überprüft werden.

d) Modul D

Hier ist besonders wichtig, daß alle Bauteile um das Display herum möglichst knapp aufliegend, maximal 10 mm hoch, eingebaut werden. Für das Einsetzen der Bargraphen noch ein Tip: Zunächst setzt man diese 12 Bauteile (Polung beachten) nur leicht in die Fassungen und drückt dann erst, Stück für Stück immer reihum etwas tiefer bis zum Anschlag. Für die optimale Gleichförmigkeit der Leuchtbalken sollten dann eventuelle Lagedifferenzen noch nivelliert werden.
Bevor man auch dieses Modul auf den Verbindungsblechen montiert, müssen laut Verdrahtungsplan die 21 Verbindungsleitungen angelötet werden, weil nach der Montage die entsprechenden Stellen nur mehr umständlich zu erreichen sind.

e) Rückplatte und Verdrahtung

Die Verdrahtung an der Netzbuchse und am Sicherungshalter fällt leichter, wenn die Rückplatte noch nicht an den Verbindungsblechen befestigt ist.
Da das Gerät nach Schutzklasse II aufgebaut wird, ist bei der Verdrahtung der netzspannungsführenden Teile mit besonderer Sorgfalt vorzugehen. : Die Drahtverbindungen zur Netzbuchse und zum Sicherungshalter müssen so ausgeführt werden, daß sich der Draht bei fehlender Lötstelle nicht lösen kann. Man führt dazu den Draht durch die Lötöse und wickelt ihn anschließend 1 1/2mal um die Lötöse. Der Sicherungshalter und alle netzspannungsführenden Leitungen und Kontakte müssen mit übergezogenen Schrumpfschlauchstücken doppelt isoliert werden. Mit einem Heißluftgebläse (z. 8. starker Haushaltsfön) werden die Schrumpfschläuche so lange erhitzt, bis sie sich durch Zusammenziehen den Bauteilkonturen anpassen.
Nach einer genauen Überprüfung der wichtigen voranstehenden Arbeiten kann nun die Rückplatte befestigt werden und mit den verbleibenden Montage- und Verdrahtungsarbeiten fortgesetzt werden. Dazu gibt der perspektivische Verdrahtungsplan genaue übersichtliche Auskunft. Die meisten Kleinsignalverbindungen werden direkt an den Lötaugen verlötet. Dabei beachte man unbedingt darauf, daß nicht versehentlich abstehende Litzendrähte mit benachbarten Verbindungen Kurzschlüsse hervorrufen.

f) Frontplatte:

Vor der Befestigung der Frontplatte wird die rote Kontrastfolie faltenfrei auf die Bargraphen geklebt. Wenn der letzte jetzt noch freie Draht, der Resetan-schluß an die Sensor-Lötfahne gelötet ist, kann die Frontplatte befestigt werden. Hinter der Sensor-Resetschraube geht es ziemlich eng zu. Deshalb kontrolliere man hier die Verdrahtung besonders genau auf etwaige Kurzschlüsse. Erst nach einer nochmaligen Überprüfung aller Arbeiten steht der Inbetriebnahme nichts mehr im Wege.

6. Inbetriebnahme:


A. Da von jedem fehlerhaft aufgebauten, netzversorgten Gerät erhebliche Gefahren ausgehen können, ist die folgende Sicherheitsüberprüfung mit besonderer Sorgfalt auszuführen.
Defekte Teile dürfen nur durch RIM-Originalteile laut Stückliste ersetzt werden. Das Gerät PMG 120 darf nur durch "Fachkundige" offen überprüft werden. Tritt während der Sicherheitsüberprüfung ein Fehler auf, muß der Fehler beseitigt und die Prüfung von Anfang an wiederholt werden. Für Reparaturen muß der Netzstecker aus der Netzdose gezogen sein!
Zur Sicherheitsüberprüfung benötigt man einen Phasenprüfer mit VDE-Zeichen und ein Vielfachmeßinstrument mit berührungsgeschützten Meßkabeln. Beide Einrichtungen müssen auf ihre korrekte Funktion überprüft sein.

  • Die Trafoanschlüsse "grün" und "braun" werden: abgesteckt und provisorisch isoliert.
  • Das komplett montierte Gerät muß auf einer nichtleitenden Unterlage liegen.
  • Netzstecker muß gezogen sein.
  • Die Schmelzsicherung überprüfen und einsetzen.
  • Im 10 MOhm-Meßbereich die Isolation zwischen allen äußeren Metallteilen und den beiden Polen der Netzbuchse messen, mindestens 5 MOhm sind gefordert.
  • Das Gerät darf bei den folgenden Sicherheitsmessungen nicht berührt werden.
  • Gerät mit dem Netz verbinden und mit dem Phasenprüfer alle äußeren Metallteile abtasten. Die Prüflampe darf nicht aufleuchten. Test mit umgepoltem Netzstecker wiederholen.
  • Vielfachinstrument auf 50... 250 V/Wechselspannung schalten und einen Pol mit dem Schutzkontakt der benutzten Steckdose verbinden. Der andere Pol führt zu einer isolierten Prüfspitze. Mit der Prüfspitze alle äußeren Metallteile des PGM 120 abtasten. Der Meßausschlag darf 24 VAC nicht überschreiten:

Damit ist der Test auf Sicherheit erledigt und die eigentliche Funktionsüberprüfung möglich.

B. Abgleich

Für den Abgleich benötigt man einen NF-Tongenerator mit variabler Amplitude und ein Gleichspannungsmeßgerät, mit dem auch wenige mV zuverlässig nachgewiesen werden können. Die Beschreibung des Abgleichs bezieht sich auf das Vorhandensein eines Tongenerators, der auf Amplituden von -50 dB bis +6 dB genau eingestellt werden kann.

  • Die gelösten Trafo-Anschlüsse wieder ordnungsgemäß einstecken.
  • Die Pegelregler R 2/16 auf rechten Anschlag, d. h. max. Empfindlichkeit stellen.
  • Den Helligkeitsregler und alle Trimmwiderstände ungefähr auf die Mitte stellen.
  • Den Reset-Eingang mit Masse (z. B. Gehäuse) verbinden.
  • Für alle Abgleicharbeiten braucht nur die Bodenschale abgenommen werden.
  • Tongenerator auf +6 dB stellen und mit beiden Eingängen des PMG 120 verbinden (z. B. 1 kHz).
  • Wenn man nun das PMG 120 mit dem Netz verbindet, sollten gleichmäßig helle Leuchtbalken mit irgeneinder Länge zu sehen sein. In jedem anderen Fall sollte sicherheitshalber sofort wieder getrennt werden, um eventuelle Fehler im stromlosen Zustand aufzuspüren.
  • Die Helligkeit soll mit R 5 verändert werden können.
  • Tongeneratorsignal ausschalten und die Gleichspannungen an IC 3 und IC 4/ Anschlüsse Nr. 6 mit R 41 und R 13 auf +2 mV justieren.
  • Tongenerator auf +6 dB schalten. Die Pegelregler R 2/16 nun so weit nach links drehen, daß die Leuchtbalken gerade noch die +6 dB-Marke erreichen.
  • Tongenerator auf -10 dB schalten. Mit R 30 die Leuchtbalkenlänge auf die -10 dB-Marke stellen. Die Differenz zwischen den beiden Kanälen darf 1 LED betragen.
  • Tongenerator auf -40 dB schalten. Mit R 32 die Anzeige auf die -40 dB-Marke bringen.
  • Tongenerator auf irgendeinen Pegel über ca. -20 dB stellen und ausschalten. Damit beobachtet man das Rücklaufverhalten der beiden Leuchtbalken zueinander. Die Rückläufe sollten möglichst simultan sein.
  • Das Rücklaufverhalten kann mit R 41/42 verändert werden. Zunächst wird derjenige Kanal korrigiert, der schneller zurückläuft, indem seine Offsetspannung an IC 3/7 erhöht wird. Diese Verstellung muß dann mit R 13/27 am gleichen Kanal für einen richtigen Ausschlag wieder kompensiert werden.
  • Reicht diese Vorgehensweise allein nicht aus, so wird ähnlich, aber entgegengesetzt am "langsameren" Kanal operiert. Diese letzte Einstellung erfordert ein feinfühliges Handeln am richtigen Trimmer und sollte einige Male kontrolliert werden. Das Optimum ist erreicht, wenn die Anzeigen im untersten Bereich hinreichend genau und die Rückläufe simultan sind.
  • Der "Dauer-Reset" kann jetzt wieder aufgehoben und die Peak-Hold-Funktion überprüft werden. Ab -25 dB wird der letzte Maximalwert mit dem Leuchten einer einzigen LED an der entsprechenden Stelle angezeigt bleiben. Die Löschung muß mit dem Berühren der Sensorflächen möglich sein.

Damit ist das Gerät PMG 120 überprüft und abgeglichen. Die Betriebsempfindlichkeit ist jederzeit von außen dem jeweiligen Einsatzzweck anpaßbar. Momentan beträgt sie noch 0 dBm.

C. Fehlerbeseitigung

In 99 % aller Fälle liegen Aufbaufehler vor. Daher führen konsequente Sichtüberprüfungen am schnellsten zum Ziel.
Mit einem Vielfachinstrument können im PMG 120 praktisch nur die Versorgungsspannungen kontrolliert werden. Für weitergehende Messungen benötigt man ein Oszilloskop.
Die wichtigste Voraussetzung neben dem Oszilloskop ist aber das "Verstehen" der PMG 120-Schaltung. Im Falle des Falles wenden Sie sich bitte an unseren Kundendienst. Wir helfen gerne und bieten auch preiswerten Service. Für aussagekräftige Oszillogramme eines Periodensignals, besonders für hier vorteilhafte Zweikanalmessungen, ist am Modul Z ein Triggeranschluß (TP) herausgeführt.
Werden uneindeutige High/Low-Signale im Digitalteil festgestellt, Zwischenpegel also, dann sind meist Kurzschlüsse oder defekte IC' s die Ursache. Auch mit einer Temperaturenüberprüfung an den Bauteilen können Fehler eingekreist werden.
Man bedenke aber, daß die Ursache einer fehlerhaften Funktionsausübung des einen Schaltkreises durch einen Fehler im anderen Kreis hervorgerufen sein kann.
Der größte Schaltungsteil des PMG 120 "lebt" von der Taktfrequenz CL-0. Bei wesentlichen Abweichungen von 6 kHz kann der Skalenverlauf nicht mehr ordnungsgemäß justiert werden. Ein Stillstand der Taktfrequenz kann u. U. auch Teile auf dem Display-Modul zerstören.

7. Wichtige Hinweise:

Das Gerät darf nur im Gehäuse betrieben werden.
Das Gerät vor Feuchtigkeit, Wärme und direkter Sonnenbestrahlung schützen. Beim Selbstbau die VDE-Bestimmungen beachten, welche der Verband der deutschen Elektroniker zur Gefahrenvermeidung beim Betrieb von elektronischen Geräten aufgestellt hat.
Bei Weitergabe von Selbstbaugeräten muß der Erbauer seine Identität angeben. Er haftet für alle Schäden, die durch das Gerät entstanden sind.
Ein Gerät darf nur komplett mit allen Unterlagen weitergegeben werden.
Es gelten die aktuellen RIM-Verkaufsbedingungen.

8. Technischer Anhang:

a) Stückliste (.TXT 6,5kB)
b) Schaltungs- und Bestückungsplan Modul A (GIF 104kB)
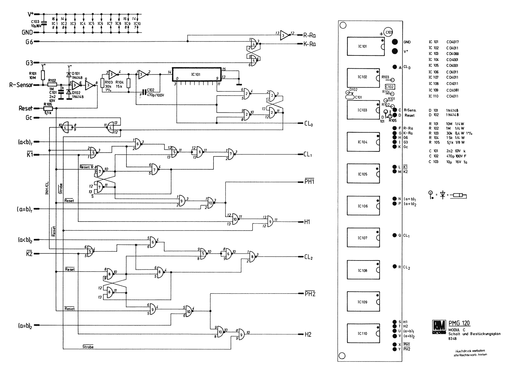
c) Schaltungs- und Bestückungsplan Modul C (GIF 64kB)
d) Schaltungs- und Bestückungsplan Modul D (GIF 98kB)
e) Schaltungs- und Bestückungsplan Modul Z (GIF 70kB)
f) Montageplan (GIF 57kB)
g) Verdrahtungsplan (GIF 57kB)

Alle Rechte vorbehalten!

Nachdruck, auch auszugsweise, untersagt!

TECHNISCHE ÄNDERUNGEN OHNE VORANMELDUNG VORBEHALTEN!

München, 2/1984 RIM-electronic GmbH

 
Die Firma RIM-electronic GmbH ist von der Firma Conrad übernommen worden.

Herzlichen Dank an die Firma Conrad für die Erlaubnis, diese Baumappe hier veröffentlichen zu dürfen.
 
 
Home > Analog > Misc_Tech > Baumappe RIM PGM 120 Impressum | E-Mail
spacer